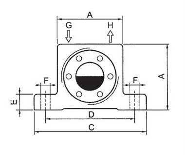
產品名稱:靜軸氣動振動器 A-28T A-55T氣動振動器A-65T A-68T A-76T
產品說明:
(寧波飛馳 FEICHIAN 品牌)
氣動振動器金輪靜軸A-22T---A-76T全系列
1.無需潤滑,頻率每分鐘5100-40800轉
2.離心振動力 295-8600N
3.使用壽命長,無需維護,工作溫度200度以內。
4.適用于制藥,食品,化工,水泥等行業。
5.因產品表面硬化處理,可用于防腐場合。
5.安裝方便,只需一根氣管即可工作,可瞬間啟停。
6.因為產品無電結構設計,亦可用于防爆場合。
7.適用振動臺,過濾篩,料倉清空,物料輸送,管路進料,掛壁等處。



本表數據在重型實驗臺上取自Kistler 3軸測力計。當安裝剛性差時頻率和力值會減小.
寧波飛馳 歡迎致電0574-88873909
根據工礦產品可以垂直,水平任意角度安裝